生産設備設計
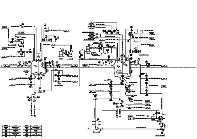
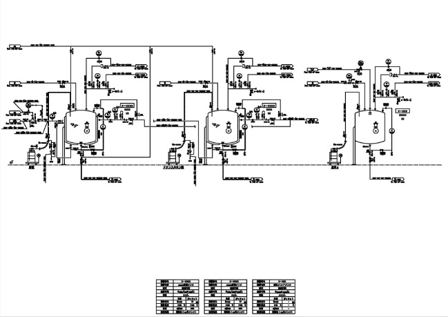
P&Iダイアグラム
P&Iダイアグラム
業務内容
| 設備設計業務 (基本計画から工事着手まで) |
|
|---|---|
| 着工準備業務 |
|
| 各種関連法規チェック (関連法規調整) |
|
| 各部への情報提供 |
|

- プロセスフロー概要

- 設備機器レイアウトの検討

- バリデーションの適用範囲

