事業紹介

設備(空調・給排水・電気)設計

気流確認(現地可視化)

気流解析シミュレーション

業務内容

設備設計業務
(基本計画から工事着手まで)
  • 基本計画を再確認(計画内容のブラッシアップ)
  • 室内環境条件の検討/作成
  • 設備フローの検討/作成(空調・熱源・給排水衛生・ユーティリティーetc.)
  • 空調・熱源・ユーティリティ計算および機器選定
  • 自動制御・環境モニタリング計画の検討/作成(制御、監視、警報、表示etc.)
  • 電気計画の検討/作成(単線結線図、バックアップ電源、入退管理設備etc.)
  • 省エネルギーや環境配慮設備の導入検討
  • 設計図面の作成
着工準備業務
  • コスト管理(概算徴収から実行予算構築)
  • 施工協力会社の選定
各種関連法規チェック
(関連法規調整)
  • 建築確認申請ほか。関連法規対応、調整
    (消防、危険物、建築物省エネ法、水質汚濁、騒音振動、大気汚染etc.)
各部への情報提供
  • 3D設計による他設備との干渉調整
  • 各種機器配置や必要スペース(天井高さ・PS/DS・重量etc.)の調整
  • 工程計画(搬入構台、ルート、試運転調整、各種検査etc.)
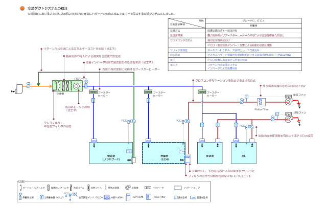
設備フロー図
省エネルギーの取り組み
室内空間の温度マッピング
空調機械室(施工例)
空調機械室(施工例)